全国统一服务热线
400-610-6025
首 页
MK(中国)
公司概况
证书荣誉
组织结构
业务范围
业绩案例
工艺材料
行业动态
资料下载
MK(中国)
当前位置:
首页
>
图集
>
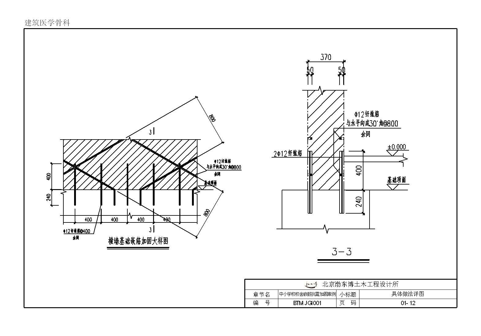
中小学校校舍嵌筋抗震加固案例
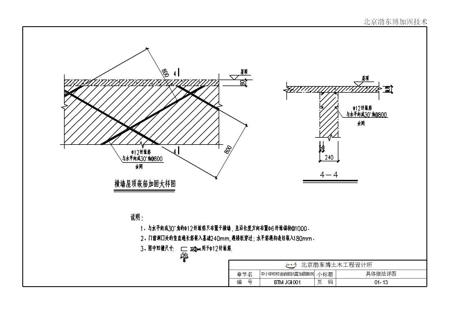
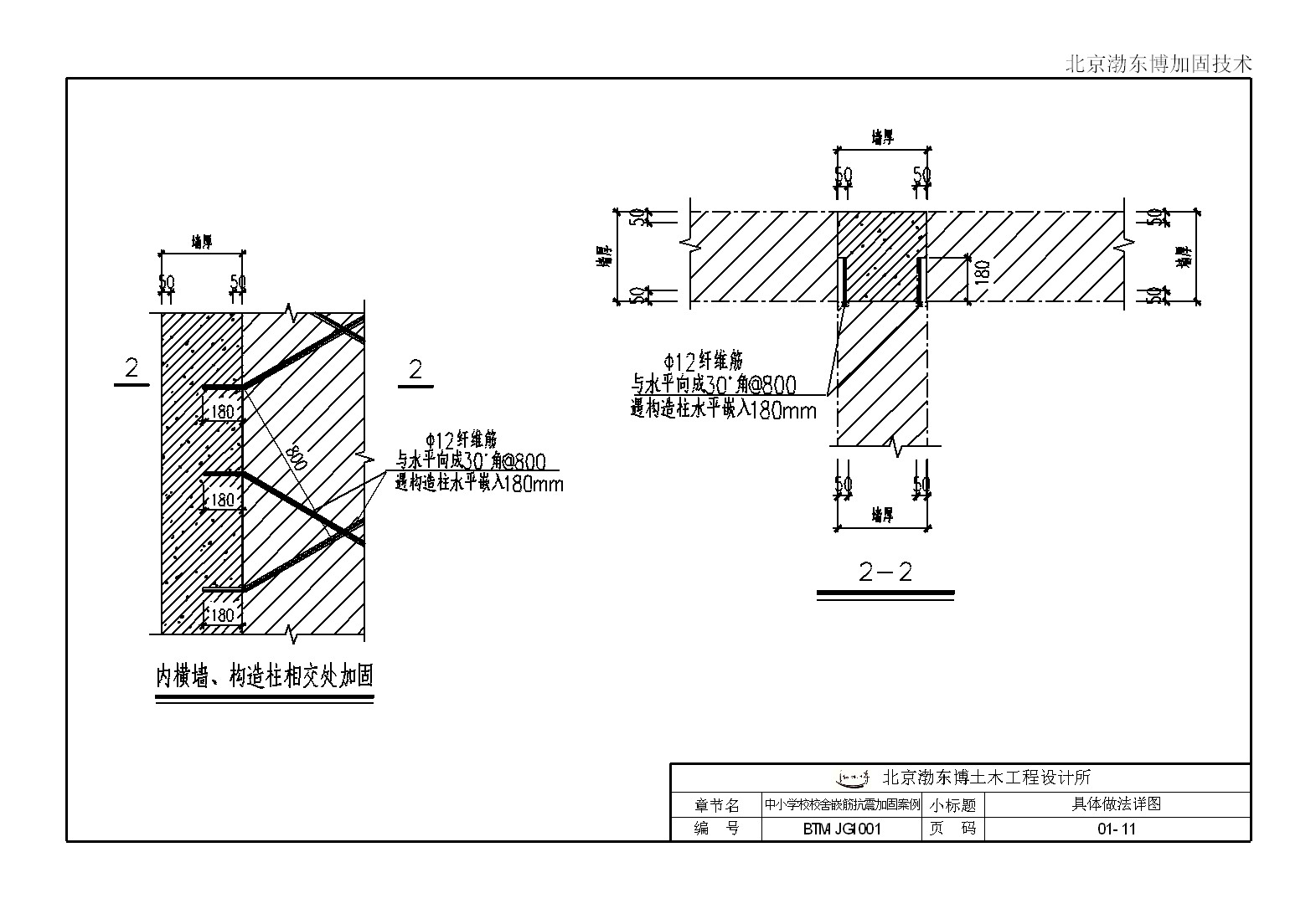
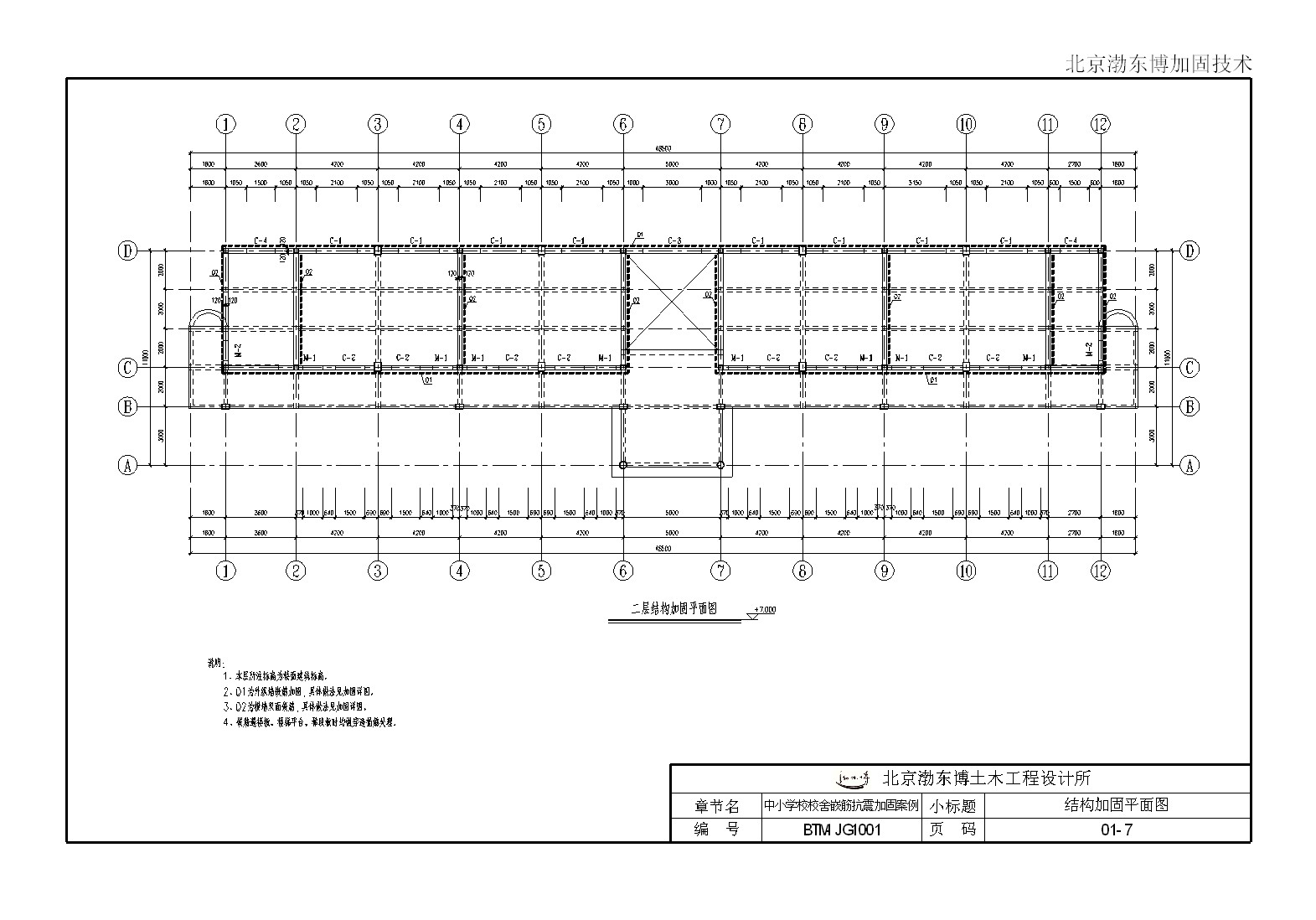
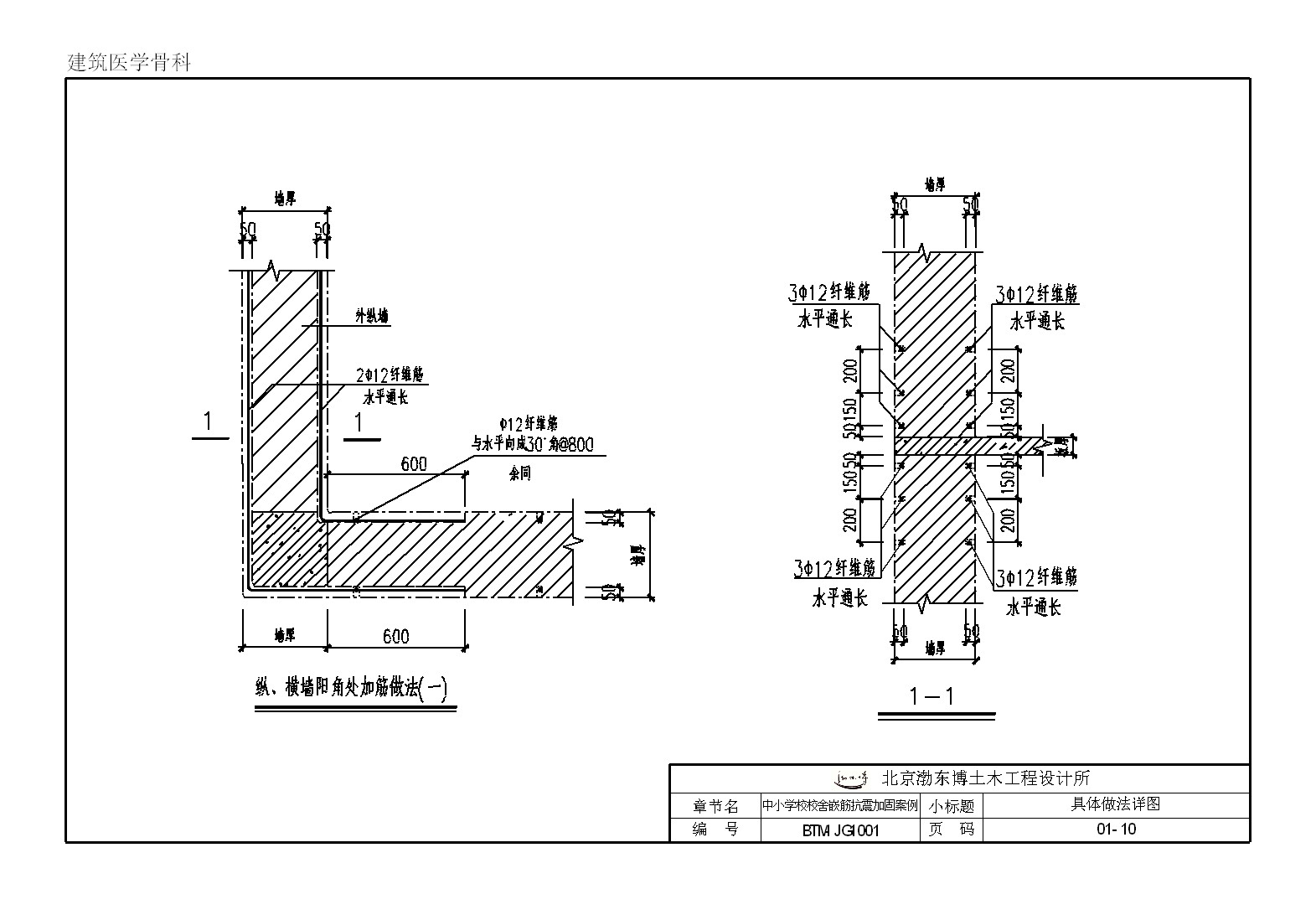
中小学校校舍嵌筋抗震加固案例
版权所有:MK官方网页版
邮箱:jiagu@bodongbo.com
传真:010-64403408
电话:400-610-6025 800-810-6025 010-64403428
地址:北京市朝阳区北苑东路19号院2号楼1206室(中国铁建广场C座)
京ICP备2022035419号-1
万博
|
玩球通官网(官方)下载app/官网入口
|
乐鱼买球
|
九游官网
|
乐竞网页版登录入口
|
乐投app官方在线入口
|
FH电子体育
|
球速体育·(中国)官方网站QIUSU SPORTS
|
多宝手机网页版登录入口
|